Foto Pisciotta

PISCIOTTA

Soluções Inteligentes



Projetos


Conheça meus projetos

DIY - Faça você mesmo




Luz de Emergência


Não fique no escuro!

497 Acessos - 0 Curtidas - Dificuldade

postado 01 de Janeiro de 2001 - atualizado 24 de Janeiro de 2018

Autor: Alex Pisciotta


Quedas de energia acontecem com frequência cada vez menor, mas quando ocorrem, representam uma situação muito desagradável e até perigosa: ficar sem luz no meio de um banho, ou com crianças pequenas em casa, pode ser motivo de pânico e até causa de acidentes.

Por isso, em janeiro de 2018, resolvi fazer um dispositivo que mantém uma bateria constantemente carregada, respeitando-se as normas de proteção para baterias, e fazendo-a alimentar a iluminação de emergência espalhada pela casa.

No Passado Foi Assim...

Encontrei entre meus projetos antigos um circuito para iluminação de emergência, muito rudimentar, que montei entre dezembro de 1999 e janeiro de 2000, que não contava com nenhum circuito de proteção para a bateria: Era simplesmente um resistor de potência que mantinha uma corrente máxima na bateria e, em caso de falta de energia, um relé acionava as lâmpadas de emergência até que a energia voltasse ou a bateria se descarregasse completamente. Descarregar uma bateria completamente é o mesmo que danificá-la! Carregar com corrente muito alta também a danifica.

Aproveitando a mesma caixa e o mesmo transformador, desenvolvi o novo circuito para carregar a bateria com o máximo de 10% da corrente nominal da bateria, conforme recomendado pelo fabricante, e também para desconectar as cargas da bateria caso a tensão fique abaixo de 80% do valor nominal, protegendo a bateria contra descargas severas, aumentando, assim, a sua vida útil. Além de luz de emergência, coloquei no circuito a função de alimentador constante para pequenas cargas 12V, como o meu circuito controlador da bomba d'água do sistema de aproveitamento de água da chuva.

O Novo Circuito

O circuito foi projetado para fornecer carga à bateria de forma controlada, por isso foi utilizado um LM317 para regular a tensão máxima através de um trim pot (R2) para permitir ajuste em 13,8V + 0,7V (queda no diodo de proteção), para se atingir a carga máxima da bateria e, através de Q1, D7 e D9, interromper essa carga quando a bateria chegar na tensão máxima, aumentando sua vida útil. Além disso tanto a entrada como a saída do circuito foram protegidos por fusíveis, aumentando a segurança. Um relé faz a conexão da bateria aos circuitos alimentados e, em caso da carga da bateria chegar no limite inferior de segurança, o relé se abre por comando de D8 e Q2. A ativação das lâmpadas de emergência é feita por um transistor de potência TIP122, pois serão utilizados LEDs brancos para este fim. O transistor é comandado pelo AMP OP LM741 somente quando o LDR indica que é noite e o opto acoplador libera a tensão naquele ponto quando não há energia na rede elétrica.

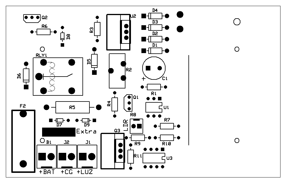
Após o projeto do circuito eletrônico, foi desenhada a placa de circuito impresso conforme imagem abaixo.

A PCI foi confeccionada utilizando o método de transferência térmica, e corrosão do cobre por percloreto de ferro, e logo em seguida o Silk da placa também foi transferido pelo método térmico.

Depois a placa foi envernizada e em seguida foi realizada a furação das ilhas para porterior soldagem dos componentes. Para a furação foi utilizado furador especial para placas de circuito impresso e furadeira para os furos de maior diâmetro. O regulador de tensão e o transistor Q3 receberam dissipadores de calor para garantir que sua temperatura não se eleve durante a carga da bateria e durante o acionamento da iluminação de emergência.

Os demais componentes foram montados e alocados na caixa plástica, prontos para o teste final.

Depois dos testes, foram ligadas as cargas fixas e as "lâmpadas" de emergência. Utilizei fitas de LED branco, daquela autoadesiva, que facilita a montagem dentro dos lustres convencionais, e ficam praticamente imperceptíveis. Não tirei foto para expor aqui, mas foi feita uma arte na tampa da caixa, indicando todas as conexões, e o conjunto foi instalado em local apropriado e a fiação passada até os pontos de luz e de alimentação. O LDR foi passado pelo vão das telhas e fica abrigado em um encapsulamento plástico sobre a casa.

Escolhi os dois banheiros e o corredor central da casa para receber as "lâmpadas" de emergência, e vou colocar um ponto na cozinha, pois são os locais estratégicos da casa. O circuito já completou um ano de uso (demorei mesmo para conseguir publicar este pequeno artigo!) sem qualquer problema, comprovando sua eficiência, e foi muito útil nos casos de falta de energia, ainda que raros aqui aonde eu moro.

Oportunidades de Melhoria

Uma oportunidade de melhoria seria colocar no lado do emissor do Opto Acoplador 4N25 um diac para que somente fosse polarizado o emissor se ambas as fases estiverem com no mínimo 90% da tensão nominal, para que o circuito se torne mais sensível à queda de apenas uma fase.